Содержание
В этой статье мы рассмотрим как можно своими силами отремонтировать монитор.
Модули монитора
Современный ЖК-монитор состоит всего из двух плат: скалера и блока питания
Скалер — это плата управления работой монитора. Его мозг. Здесь монитор преобразует цифровой сигнал в цвета на дисплее, а также содержит в себе различные настройки. На ней содержатся процессор, flash-память, куда записывается прошивка монитора, и EEPROM-память, в которой сохраняются текущие настройки.
Блок питания. Он обеспечивает питанием цепи монитора. Может в себе также содержать инвертор для мониторов с LCD подсветкой. В мониторах с LED подсветкой инвертора нет. (Статья про LED)
Блок питания для монитора выглядит примерно вот так:
Есть также и существенное различие. В блоках питания для мониторов с LCD подсветкой можно увидеть высоковольтную часть. Он же инвертор. О его присутствии говорят надписи типа «High Voltage» и клеммы, для подключения ламп. Имейте ввиду, что напряжение, подаваемое на лампы, составляет более 1000 Вольт! Лучше не трогать и тем более не лизать эту часть при включении монитора в сеть.
Макетная плата — эту статью надо прочесть.
Вздутые конденсаторы
Это, конечно же, электролитические конденсаторы в фильтре блока питания.
Это одна из самых распространенных поломок ЖК-мониторов. Перепаиваются конденсаторы легко и просто. Иногда на платах стоит не стандартный номинал конденсаторов, например 680 или 820 мкФ х 25 вольт. Если вы столкнулись со вздувшимися конденсаторами такого номинала и их не оказалось в вашем радиомагазине, не спешите обходить все радиомагазины вашего города в поисках точно такого же номинала. Это как раз тот случай, когда “много не вредно”. Это вам скажет любой электронщик. Смело ставьте 1000 мкф х 25 вольт и все будет нормально работать. Можно даже больше.
В связи с тем, что блок питания при работе излучает тепло, которое вредно сказывается на сроке службы конденсаторов, ставьте обязательно конденсаторы с обозначением «105С» на корпусе. Также после перепаивания конденсаторов не помешает проверить предохранитель вторичных цепей, в роли которого часто выступает простой SMD резистор с нулевым сопротивлением, типоразмером 0805, находящийся с обратной стороны платы со стороны трассировки.
Выход из строя стабилитрона
И еще один нюанс, на выходе блока питания, перед самим разъемом питания идущим на скалер, часто ставят SMD стабилитрон
В случае, если напряжение на нем превышает номинальное, он уходит в короткое замыкание и тем самым отключает через цепи защиты наш монитор. Заменить его можно на любой, подходящий по номиналу напряжения. Можно даже использовать с выводами
После того, как все сделали и отремонтировали, проверяем мультиметром напряжения на разъеме питания, который идет на скалер. Там все напряжения подписаны. Убеждаемся, что они совпадают с показаниями мультиметра.

Проблемы в высоковольтной части блока питания (инверторе)
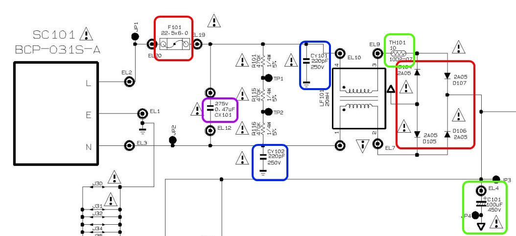
Если есть возможность, то в первую очередь, всегда отыскивайте схемы ремонтируемого устройства. Давайте рассмотрим высоковольтную часть одного из мониторов
Если вы видите, что предохранитель блока питания монитора сгорел, это означает, что сопротивление между проводами питания шнура монитора (входное сопротивление), на какой-то момент стало очень низким (короткое замыкание). Где-то около 50 Ом и меньше, что в свою очередь, по закону Ома, вызвало повышения тока в цепи. От большой силы тока у нас и сгорел проводок предохранителя.
Если предохранитель в металлическо-стеклянном корпусе, мы можем вставить абсолютно любой предохранитель в крепление и прозвонить мультиметром в режиме Омметра 200 Ом сопротивление между штырьками вилки. Если у нас сопротивление равно нулю и до 50 Ом, то ищем пробитый радиоэлемент, который звонится на ноль или на землю.
Шаги будут такие:
Вставляем предохранитель, переключаем мультиметр на 200 Ом и подключаем его к вилке шнура питания. Убеждаемся, что сопротивление очень маленькое. Далее не торопимся вынимать предохранитель.
Итак давайте по схеме посмотрим, какие радиодетали у нас могут коротнуть. На фото выделены цветными рамками те детали, которые необходимо будет проверить при коротком замыкании в высоковольтной части
Все эти процедуры для измерения сопротивления, делаются для того, чтобы вызвонить перечисленные детали по одной. То есть выпаиваем и снова замеряем через вилку сопротивление. Как только мы получим на входе вилки высокое сопротивление, заменив или убрав дефектный радиоэлемент, то можно смело включать вилку в розетку и копать уже дальше.
Нет подсветки монитора
Чем же отличаются мониторы с LCD подсветкой от мониторов с LED подсветкой? В LCD мониторах для подсветки у нас используются лампы CCFL. На русский язык эта аббревиатура звучит как «люминесцентная лампа с холодным катодом» .
Такие лампы располагаются сверху и снизу дисплея и подсвечивают изображение.
В LED мониторах используются для подсветки светодиоды, которые располагаются либо по бокам дисплея, либо за ним.
Сейчас все производители мониторов и ТВ перешли на LED подсветку, так как она почти в половину сокращает энергопотребление и намного долговечнее чем LCD подсветка.
Если нет подсветки, то дело может быть либо в лампах CCFL, либо в LED-ленте. Если они вообще не горят, то изображение будет настолько тусклым, что на дисплее ничего не будет видно. Только внимательный осмотр включенного монитора под освещением может показать, что изображение все-таки есть. Поэтому, если изображения вообще нет, то первым дело осмотрите включенный монитор под потоком света. Если изображение хоть немного видно, то дальше принимайте меры, либо менять лампы, либо дело в инверторе.
Пропадает подсветка монитора
Монитор у нас включается, работает секунд 5-10 и тухнет. Это говорит о том, что одна из ламп CCFL подсветки дисплея пришла в негодность. Перед этим часть экрана может также немного моргать. Инвертор в этом случае будет уходить в защиту, что и будет проявляться в автоматическом отключении подсветки монитора.
Для того, чтобы мы могли проверить лампы и исключить дефектную, надо купить в радиомагазине высоковольтный конденсатор. 27 пикофарад х 3 киловольта для мониторов диагональю 17 дюймов, 47 пф для монитора 19 дюймов и 68 пф для 22 дюйма.
Данный конденсатор нужно припаять к контактам разъема, к которому подключается лампа подсветки. Саму лампу, разумеется, при этом нужно отключить. Соединяя конденсатор поочередно к каждому разъему, мы добиваемся того, что инвертор у нас перестает уходить в защиту. Монитор заработает, хотя будет немного тусклым.
Конечно, редко кто так делает. Самая фишка — это отключить защиту на самой микросхеме ШИМ ))). Для этого гуглим «снять защиту инвертора xxxxxxx» Вместо «хххххх» ставим марку нашей микросхемы ШИМ. Как-то я отключал защиту на мониторе с микросхемой ШИМ TL494 по схеме ниже, припаяв резистор на 10 КилоОм. Моник работает до сих пор. Нареканий нет).


























